search
Вход за клиенти
person
Количка [0.00лв] (€0.00)
shopping_cart
В количката
favorite_border
Начало / WILO / Хидрофорни системи / Хидрофорна система WILO HWJ 202 24l

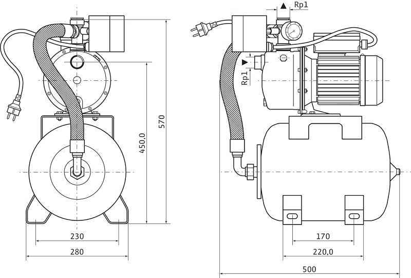
Хидрофорна система WILO HWJ 202 24l

Продуктов № 2993984
Компактна система с центробежна помпа с хоризонтален смукател
Производител (WILO) WILO
Максимална дълбочина на засмукване
до 8 метра
Напор
до 34 метра
Дебит
до 4.5 м3/ч
Максимално налягане
6 bar
Присъединителна резба
1" Ж
Обем на разширителния съд
24 литра
560.00 лв

Бърза поръка

Оставете ни телефонен номер и ние ще се свържем с Вас

Посочените цени в сайта са с начислен 20% ДДС

Компактна система с центробежна помпа с хоризонтален смукател и вертикален нагнетател, състояща се от:

Самозасмукваща, едностъпална джет помпа с непрекъснат вал мотор-помпа и независимо от посоката на въртене механично уплътнение. Монофазен или трифазен мотор с директно фланцово присъединяване, с вградено термореле за моторна защита и кондензатор при монофазното изпълнение.

Управление на помпата посредством команден блок с разширителен мембранен съд, реле за налягане и манометър (0 – 6 bar).

Разширителният мембранен съд има нова и здрава мембрана, изработена от "Butyl+", която се характеризира с много високо качество. Не изисква обслужване и не се нуждае от повторно пълнене по време на гаранционния период.

Всички части в допир с флуида са устойчиви на корозия.

Помпената система е заводски сглобена и окабелена с 2 m кабел и щепсел. Изключително подходяща за използване в сферата на градинарството или любителските занимания. При трифазното изпълнение свързването става чрез клемна кутия.

Подходящи за използване навън (хоби, градина). Неръждаемата стомана, от която е изработена помпата, я прави устойчива на корозия, независимо от времето на престой. Намалена честота на включване и предотвратяване на хидравличните удари благодарение на разширителния мембранен съд с вместимост 24 литра. Заводски изцяло окомплектована и лесна за монтаж.

Номинален дебит Q m³/h - 2  m³/h

Максимален дебит Qmax m³/h - 4.5 m³/h

Максимален напор Hmax - 34 m

Височина на засмукване макс. H - 8 M

Входно налягане макс. H - 2 bar

Налягане на включване 1,5 bar

Температура на флуида T  - +5...+35 °C

Температура на околната среда макс. T - 40 °C

Стандартно изпълнение за работно налягане pmax - 6 bar

Номинални обороти N - 2.900 1/min

Консумирана мощност P1  - 0,9 kW

Номинална стойност на мотора P2 - 0.65 kW

Ел. захранване - 1~230 V, 50 Hz

Присъединяване - 1''

Допълнителна информация за продукта можете да откриете тук

Свързани продукти

Няма добавени продукти!

Срок на доставка

Доставката се извършва спрямо общите условия

работно време

Вижте работното време на всички наши магазини

ДОСТАВКА САМО - 5,99 лв.
ДО ОФИС НА ЕКОНТ*

*без полиетиленови тръби и помпи

RAIN
HUNTER Industries (USA)
RAIN BIRD
Cepex
Elysee Irrigation Ltd
WILO
TORO
CELLFAST
Palaplast
Irritec
Hydro-Fix
Everris
Valrom
Elbi
GRUNDFOS
Varing
CARNEAU
OASE
NETAFIM
Danfoss
ABB
STIHL
ROTHENBERGER
BELLOTA
Italtecnica
Kent&Stowe
BiOrb by OASE
SOLEM
SENNINGER
Flower Lover
TRUPER
HYDRO
INDONESIA
Agrodrip
CORONA
FACOT
Barenbrug
Green Line
Thermolux
ROLIMPEX
VARTA
ADRITEC EUROPE
Astralpool
Hydro-Drip